

API Forged Presure seal Gate Valve Product introduction
API Forged Presure seal Gate Valve Main connection dimensions
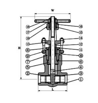
NO. |
Part Name |
CS to ASTM |
AS to ASTM |
SS to ASTM |
|
|
Type A105 |
Type F22 |
Type F304(L) |
Type F316(L) |
||
|
1 |
Body |
A105 |
A182 F22 |
A182 F304(L) |
A182 F316(L) |
|
2 |
Seat |
A276 420 |
A276 304 |
A276 304(L) |
A276 316(L) |
|
3 |
Wedge |
A276 430&410 |
A182 F304 |
A182 F304(L) |
A182 F316(L) |
|
4 |
Stem |
A182 F6 |
A182 F304 |
A182 F304(L) |
A182 F316(L) |
|
5 |
Pressure Seat |
A105 |
A182 F304 |
A182 F304(L) |
F316(L) |
|
6 |
Pressure Ring |
A276 304L |
A276 316L |
||
|
7 |
Bonnet |
A105 |
A182 F22 |
A182 F304(L) |
A182 F316(L) |
|
8 |
Gland Eye hold |
A193 B7 |
A193 B16 |
A193 B8(M) |
|
|
9 |
Pin |
A276 420 |
A182 F304(L) |
||
|
10 |
Stem Packing |
Flexible Graphite |
PTFE |
||
|
11 |
P.S. Lock Nut |
A194 2H |
A194 4 |
A194 8 |
A194 8M |
|
12 |
Gland |
A276 F420 |
A182 F304 |
||
|
13 |
Gland Flange |
A216 WCB |
A351 CF8 |
||
|
14 |
Nut |
A194 2H |
A194 4 |
A194 8 |
A194 8M |
|
15 |
Yoke Nut |
A276-410 |
|||
|
16 |
Retaining Nut |
A194 2H |
A194 4 |
A194 8 |
A194 8M |
|
17 |
Hand wheel |
A197 |
|||
|
18 |
H.W. Lock Nut |
A194 2H |
A194 4 |
A194 8 |
A194 8M |
|
19 |
Oil Cup |
Brass |
|||
|
Suitable Medium |
W.O.G. etc |
W.O.G. etc |
HNO3,CH3OOH etc |
||
|
Suitable Temperature |
-29 425 font |
-29 550 font |
-29 180 font |
||
Note: Other materials are available upon request.
API Forged Presure seal Gate Valve Main dimension
|
NPS |
1/2" |
3/4" |
1" |
1-1/4" |
1-1/2" |
2" |
|
|
L |
900~1500Lb |
140 |
140 |
140 |
178 |
178 |
216 |
|
2500Lb |
186 |
186 |
186 |
232 |
232 |
279 |
|
|
H(OPEN) |
321 |
321 |
321 |
380 |
414 |
502 |
|
|
W |
160 |
160 |
180 |
200 |
250 |
280 |
|
|
Weights |
900Lb~1500Lb |
11.5 |
10.8 |
10.5 |
19.6 |
21.0 |
55.4 |
|
2500Lb |
12.3 |
11.6 |
10.8 |
26.0 |
28.4 |
60.0 |
|