

H77H Wafer butterfly check valve Product introduction
H77H Wafer butterfly check valve
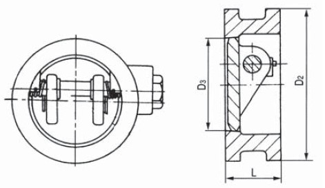
H77H Wafer butterfly check valve Main connection dimensions
| PN | PN1.0MPa 、 PN1.6MPa、 PN2.5MPa、 PN4.0MPa、 PN6.4MPa 、 PN10.0MPa | |||||||
| Model | H77H-C | H77W-P | H77W-P8 | H77W-P3 | H77W-R | H77W-R8 | H77W-R3 | |
| Material | Body | WCB(A105) | ZG1Cr18Ni9Ti | CF8(304) | CF8(304L) | ZG1Cr18Ni12Mo2Ti | CF8M(316) | CF3M(316L) |
| Disc | CF8 | CF8 | CF8 | CF3 | CF8M | CF8M | CF3M | |
| Shaft | 2Cr13 | 1Cr18Ni9Ti | 0Cr18Ni9 | 00Cr19Ni10 | 1Cr18Ni12Mo2Ti | 0Cr17Ni12Mo2 | 00Cr17Ni14Mo2 | |
| Spring | 0Cr18Ni9 | 0Cr18Ni9 | 0Cr18Ni9 | 00Cr19Ni10 | 0Cr17Ni12Mo2 | 0Cr17Ni12Mo2 | 00Cr17Ni14Mo2 | |
H77H Wafer butterfly check valve Main dimension
| PN | Size | Dimension(mm) | Weight(kg) |
Flange dimension |
|||||||||
| NPS | DN | L | D | D 3 | D 2 | D 1 | Bolt No. | Bolt size | Bolt Length L 1 | ||||
| in | mm | RF | RJ | ||||||||||
| Class 150 PN2.0MPa |
2 | 50 | 60 | 103 | 56 | 51 | 2 | 120.5 | 4 | 5/8 | M16 | 140 | 155 |
| 2 1 /2 | 65 | 67 | 122 | 73 | 65 | 3 | 139.5 | 4 | 5/8 | M16 | 150 | 165 | |
| 3 | 80 | 73 | 135 | 88 | 80 | 4 | 152.5 | 4 | 5/8 | M16 | 160 | 175 | |
| 4 | 100 | 73 | 173 | 108 | 102 | 6 | 190.5 | 8 | 5/8 | M16 | 170 | 185 | |
| 5 | 125 | 86 | 195 | 132 | 127 | 8 | 216.0 | 8 | 3/4 | M20 | 190 | 205 | |
| 6 | 150 | 98 | 220 | 160 | 152 | 13 | 241.5 | 8 | 3/4 | M20 | 205 | 220 | |
| 8 | 200 | 127 | 277 | 210 | 203 | 25 | 298.5 | 8 | 3/4 | M20 | 240 | 255 | |
| 10 | 250 | 146 | 337 | 266 | 254 | 39 | 362.0 | 12 | 7/8 | M24 | 270 | 285 | |
| 12 | 300 | 181 | 407 | 310 | 305 | 54 | 432.0 | 12 | 7/8 | M24 | 310 | 325 | |
| 14 | 350 | 184 | 448 | 355 | 350 | 80 | 476.0 | 12 | 1 | M27 | 325 | 340 | |
| 16 | 400 | 191 | 512 | 405 | 400 | 117 | 540.0 | 16 | 1 | M27 | 340 | 355 | |
| 18 | 450 | 203 | 547 | 455 | 450 | 138 | 578.0 | 16 | 1 1 /8 | M30 | 365 | 380 | |
| 20 | 500 | 219 | 604 | 505 | 500 | 163 | 635.0 | 20 | 1 1 /8 | M30 | 385 | 400 | |
| 24 | 600 | 222 | 715 | 605 | 600 | 331 | 749.5 | 20 | 1 1 /4 | M33 | 405 | 420 | |
| 28 | 700 | 305 | 773 | 700 | 700 | 380 | 795.5 | 40 | 3/4 | M20 | 455 | - | |
| 30 | 750 | 305 | 824 | 750 | 746 | 425 | 846.0 | 44 | 3/4 | M20 | 455 | - | |
| 32 | 800 | 305 | 878 | 800 | 796 | 560 | 900.0 | 48 | 3/4 | M20 | 460 | - | |
| 36 | 900 | 368 | 983 | 910 | 898 | 640 | 1009.5 | 44 | 7/8 | M24 | 540 | - | |
| 42 | 1050 | 432 | 1142 | 1055 | 1050 | 960 | 1171.5 | 48 | 1 | M27 | 625 | - | |
| 48 | 1200 | 524 | 1302 | 1205 | 1200 | 1400 | 1335.0 | 44 | 1 1 /8 | M30 | 740 | - | |
| Class 300 PN5.0MPa |
2 | 50 | 60 | 110 | 58 | 51 | 3 | 127.0 | 8 | 5/8 | M16 | 155 | 175 |
| 2 1 /2 | 65 | 67 | 128 | 73 | 65 | 4 | 149.0 | 8 | 3/4 | M20 | 175 | 195 | |
| 3 | 80 | 73 | 147 | 88 | 80 | 6 | 168.5 | 8 | 3/4 | M20 | 190 | 210 | |
| 4 | 100 | 73 | 179 | 108 | 102 | 8 | 200.0 | 8 | 3/4 | M20 | 195 | 215 | |
| 5 | 125 | 86 | 214 | 132 | 127 | 15 | 235.0 | 8 | 3/4 | M20 | 215 | 235 | |
| 6 | 150 | 98 | 249 | 160 | 152 | 18 | 270.0 | 12 | 3/4 | M20 | 230 | 250 | |
| 8 | 200 | 127 | 305 | 210 | 203 | 31 | 330.0 | 12 | 7/8 | M24 | 280 | 300 | |
| 10 | 250 | 146 | 359 | 266 | 254 | 51 | 387.5 | 16 | 1 | M27 | 315 | 335 | |
| 12 | 300 | 181 | 420 | 310 | 305 | 77 | 451.0 | 16 | 1 1 /8 | M30 | 365 | 385 | |
| 14 | 350 | 222 | 483 | 355 | 350 | 117 | 514.5 | 20 | 1 1 /8 | M30 | 410 | 430 | |
| 16 | 400 | 232 | 537 | 405 | 400 | 190 | 571.5 | 20 | 1 1 /4 | M33 | 435 | 455 | |
| 18 | 450 | 264 | 594 | 455 | 450 | 200 | 628.5 | 24 | 1 1 /4 | M33 | 475 | 535 | |
| 20 | 500 | 292 | 652 | 505 | 500 | 265 | 686.0 | 24 | 1 1 /4 | M33 | 510 | 585 | |
| 24 | 600 | 318 | 772 | 608 | 600 | 410 | 813.0 | 24 | 1 1 /2 | M39 | 560 | - | |
| 30 | 750 | 368 | 882 | 740 | 735 | 660 | 921.0 | 36 | 1 3 /8 | M36 | 650 | - | |
| 36 | 900 | 483 | 1044 | 880 | 873 | 1020 | 1089.0 | 32 | 1 5 /8 | M42 | 800 | - | |
| 42 | 1050 | 568 | 1196 | 1045 | 1035 | 1540 | 1244.5 | 36 | 1 3 /4 | M45 | 920 | - | |
| 48 | 1200 | 629 | 1365 | 1190 | 1179 | 2260 | 1416.0 | 40 | 1 7 /8 | M48 | 1010 | - | |
H77H Wafer butterfly check valve Product ordering instructions
Previous:H76X Wafer double disc check valve